Astraada DRV-27 to zaawansowana technicznie seria przemienników częstotliwości umożliwiająca sterowanie silnikami asynchronicznymi oraz synchronicznymi o mocach w zakresie 1,5 ~ 500 kW.Praca sieciowa za pośrednictwem magistral komunikacyjnych Modbus RTU, Profibus DP, Ethernet, CAN, wbudowane filtry EMC, sterowanie momentem, niewielkie gabaryty, duża ilość obsługiwanych sygnałów wejściowych oraz wyjściowych, ponad 30 funkcji zabezpieczeń sprawiają, że nowa seria Astraada DRV-27 doskonale przystosowana jest do wymagających zastosowań w hutnictwie, górnictwie, przemyśle włókienniczym, spożywczym, w gospodarce wodno-ściekowej jak i w szeroko pojętym obszarze HVAC.
Falowniki Astraada DRV-27 dedykowana są do zastosowań w aplikacjach napędowych wymagających otwartości na różne standardy komunikacyjne. Oprócz możliwości komunikacji w protokole Modbus RTU, pozwalają na dołączenie dodatkowego portu sieci Profibus DP, CAN, CANopen oraz komunikację w sieci Ethernet po protokole Modbus TCP przy zastosowaniu zewnętrznego konwertera Astraada (AST-CON-485).

Falowniki serii DRV-27 wyposażone są w radiator odprowadzający ciepło oraz dodatkowy układ chłodzenia wymuszonego pracujący w odseparowanym, od wnętrza przemiennika, kanale wentylacyjnym. Dzięki odpowiedniej konstrukcji możliwe jest także wypuszczenie układu chłodzenia poza szafę sterowniczą ograniczając tym samym wpływ generowanej przez falownik temperatury na inne elementy w szafie.
Falowniki serii DRV-27 wyposażone są w radiator odprowadzający ciepło oraz dodatkowy układ chłodzenia wymuszonego pracujący w odseparowanym, od wnętrza przemiennika, kanale wentylacyjnym. Dzięki odpowiedniej konstrukcji możliwe jest także wypuszczenie układu chłodzenia poza szafę sterowniczą ograniczając tym samym wpływ generowanej przez falownik temperatury na inne elementy w szafie.
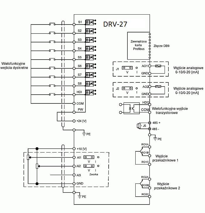
| Typ wejścia/wyjścia | Ilość | Funkcjonalność |
| Wejścia dyskretne | 8 | 1kHz, logika dodatnia/ujemna |
| Wejście HDI | 1 | 50kHz, logika dodatnia/ujemna |
| Wejścia analogowe | 3 | 2x 0~10V, 0~20mA, 1x -10~+10V |
| Wyjście dyskretne | 1 | max. 1 kHz |
| Wyjście HDO | 1 | max. 50 kHz |
| Wyjścia przekaźnikowe | 2 | 3A/250VAC, 1A/30VDC |
| Wyjście analogowe | 2 | 0~10V, 0-20mA |
W przypadku dwóch wartości danego parametru:
| Nr katalogowy | Znamionowa moc wyjściowa (kW) | Znamionowy prąd wejściowy (A) | Znamionowy prąd wyjściowy (A) | Typ obudowy |
| 3x 400 VAC ± 15% | ||||
| AS27DRV41C5 | 1.5 | 5.0 | 3.7 | B2 |
| AS27DRV42C2 | 2.2 | 5.8 | 5 | B2 |
| AS27DRV44C0 | 4.0 | 13.5 | 9.5 | C2 |
| AS27DRV45C5 | 5.5 | 19.5 | 14 | C2 |
| AS27DRV47C5 | 7.5 | 25 | 18.5 | D2 |
| AS27DRV4011 | 11 | 32 | 25 | D2 |
| AS27DRV4015 | 15 | 40 | 32 | E2 |
| AS27DRV4018 | 18.5 | 47 | 38 | E2 |
| AS27DRV4022 | 22 | 56 | 45 | F2 |
| AS27DRV4030 | 30 | 70 | 60 | F2 |
| AS27DRV4037 | 37 | 80 | 75 | G2 |
| AS27DRV4045 | 45 | 94 | 92 | G2 |
| AS27DRV4055 | 55 | 128 | 115 | G2 |
| AS27DRV4075 | 75 | 160 | 150 | H2 |
| AS27DRV4090 | 90 | 190 | 180 | H2 |
| AS27DRV4110 | 110 | 225 | 215 | H2 |
| AS27DRV4132 | 132 | 265 | 260 | I2 |
| AS27DRV4160 | 160 | 310 | 305 | I2 |
| AS27DRV4200 | 200 | 385 | 380 | I2 |
| AS27DRV4220 | 220 | 430 | 425 | J2 |
| AS27DRV4250 | 250 | 485 | 480 | J2 |
| AS27DRV4280 | 280 | 545 | 530 | J2 |
| AS27DRV4315 | 315 | 610 | 600 | J2 |
| AS27DRV4350 | 350 | 655 | 650 | 2*J2 |
| AS27DRV4400 | 400 | 715 | 710 | 2*J2 |
| AS27DRV4500 | 500 | 890 | 860 | 2*J2 |
Rysunek 1. Wymiary falowników o mocy od 1.5 do 30 kW
Rysunek 2. Wymiary falowników o mocy od 37 do 110 kW
Rysunek 3. Wymiary falowników o mocy od 132 do 200 kW
Rysunek 4. Wymiary falowników o mocy od 220 do 315 kW
| Moc (kW) | Typ obudowy | W1 (mm) | W2 (mm) | H1 (mm) | H2 (mm) | D1 (mm) | Otwory montażowe (mm) |
| 15~2.2 | B2 | 126 | 115 | 193 | 175 | 174.5 | 5 |
| 4~5.5 | C2 | 146 | 131 | 263 | 243.5 | 181 | 6 |
| 7.5~11 | D2 | 170 | 151 | 331.5 | 303.5 | 216 | 6 |
| 15~18.5 | E2 | 230 | 210 | 342 | 311 | 216 | 6 |
| 22~30 | F2 | 255 | 237 | 407 | 384 | 245 | 7 |
| 37~55 | G2 | 270 | 130 | 555 | 540 | 325 | 7 |
| 75~110 | H2 | 325 | 200 | 680 | 661 | 365 | 9.5 |
| 132~200 | I2 | 500 | 180 | 870 | 850 | 360 | 11 |
| 220~315 | J2 | 680 | 230 | 926 | 926 | 379.5 | 13 |
|
|||||
|---|---|---|---|---|---|
| DRV-27 | |||||
| Nazwa serii | Przemienniki częstotliwości do wymagających aplikacji | ||||
| Parametry pracy | |||||
| Metoda sterowania |
|
||||
| Rodzaje silników | Asynchroniczne Synchroniczne |
||||
| Zakres napięć zasilających | 400 VAC 3-fazowe | ||||
| Zakres mocy | 1.5 kW ÷ 500 kW | ||||
| Częstotliwość wyjściowa | 0 ÷ 400 Hz | ||||
| Częstotliwość kluczowania | 1 kHz ÷ 15 kHz | ||||
| Maksymalny moment rozruchowy | 150% przy 0,25Hz (SVC) | ||||
| Prąd przeciążeniowy | 150% In przez 60s 200% In przez 1 s |
||||
| Temperatura pracy | -10°C ÷ 50°C | ||||
| Wejścia / Wyjścia (I/O) | |||||
| Wejścia dyskretne | 9 (1 HDI) | ||||
| Wyjścia dyskretne | 2 (1 HDO) | ||||
| Wyjścia przekaźnikowe | 2 | ||||
| Wejścia analogowe | 2 (0-10V, 0-20mA) 1 (-10V ÷ 10V) |
||||
| Wyjścia analogowe | 2 (0-10V, 0-20mA) | ||||
| Funkcjonalność | |||||
| Obsługiwane protokoły komunikacyjne | Modbus RTU (RS-485) Profibus DP (opcja) CAN, CANopen (opcja) Ethernet |
||||
| Wbudowany filtr wejściowy EMC | Tak (zgodny z IEC61800-3 C3) | ||||
| Montaż „książkowy” | Tak | ||||
| Wbudowany moduł hamujący | Tak (< 30 kW) | ||||
| Wbudowany panel sterowania | LED (opcjonalnie LCD) | ||||
| Kopiowanie parametrów przez panel zewnętrzny | Tak (dla LCD) | ||||
| Ważniejsze funkcje |
|
||||
Zaloguj się, by zobaczyć niższe ceny. Dla nowych kont potrzebujemy 24h na przydzielenie rabatu.
| Produkt | Cena netto |
|---|
Zostaw wiadomość lub zadaj pytanie – odpowiemy niezwłocznie.
Napisz do nas - odpowiemy w ciągu 24h
Potrzebujesz pomocy? Skontaktuj się z nami. Odpowiemy na wszystkie Twoje pytania.
Codesys - szkolenie na bazie sterowników Astraada One - cz. 2 rozszerzenie
Codesys - szkolenie na bazie sterowników Astraada One - cz. 1 podstawy
Szkolenie z konfigurowania i programowania serwonapędów Astraada SRV
WIŚNIOWSKI - cyfrowa indywidualizacja w fabryce przyszłości
Pierwsze w Polsce nowoczesne laboratorium sterowania i automatyki Astraada One na AGH w Krakowie
Nowoczesna produkcja wsadowa w zakładach chemicznych Stepan
Firma ASTOR od 30 lat wspiera podnoszenie efektywności procesów w przemyśle, produkcji oraz infrastrukturze dostarczając komponenty automatyki przemysłowej, robotyki, systemy IT oraz wiedzę biznesową i techniczną. Kierunek wspierania rozwoju i transformacji naszych Klientów wyznacza Przemysł 4.0. W naszym portfolio znajdują się systemy sterowania Emerson Industrial Automation&Control (dawniej GE Intelligent Platforms, GE Fanuc), Horner APG oraz Astraada One, oprogramowanie przemysłowe AVEVA (dawniej Wonderware), roboty przemysłowe Kawasaki i Epson, produkty do bezprzewodowej transmisji danych SATEL Oy i Astraada, a także falowniki, panele HMI i urządzenia sieciowe Astraada. Oferujemy usługi doradcze w ramach ASTOR Consulting i szkolenia w ramach Akademii ASTOR.
ASTOR Centrala
ul. Smoleńsk 29, 31-112 Kraków
12 428 63 00
PL
EN