Roboty Kawasaki Robotics - dobierz robota « Wróć do listy produktów

Kawasaki Robotics seria MS
/ roboty do przemysłu farmaceutycznego

Roboty Kawasaki Robotics serii MS zaprojektowane są do pracy w przemyśle farmaceutycznym oraz w zastosowaniach medycznych m.in. zbieranie części, obsługa maszyn, przemieszczanie materiałów, praca w cleanroom. Spełniają restrykcyjne normy czystości, pozwalając na bezpieczną, szybką i niezawodną pracę w pomieszczeniach czystych.

  • funkcjonalnie i gabarytowe ramiona robotów Kawasaki Robotics serii MS są zbliżone do ramienia ludzkiego, pozwala to optymalnie realizować zadania w ciasnych pomieszczeniach i ograniczać martwą strefę
  • opływowe kształty, gładka powierzchnia oraz specjalne uszczelnienia pozwalają na utrzymanie najwyższych standardów czystości. Model Kawasaki Robotics MS wykonany jest ze stali nierdzewnej.
  • przewody sterujące chwytakiem poprowadzone są wewnątrz ramienia robota Kawasaki Robotics od jego podstawy aż do samego chwytaka
  • stopień ochrony IP67 (podstawa MC004N: IP65) oraz klasa czystości ISO 5 pozwala na pracę w pomieszczeniach czystych

Roboty Kawasaki Robotics serii MS wykorzystywane są do pracy w przemyśle farmaceutycznym oraz w zastosowaniach medycznych m.in. zbieranie części, obsługa maszyn, przemieszczanie materiałów, praca w cleanroom.

Spełniają restrykcyjne normy czystości, pozwalając na bezpieczną, szybką i niezawodną pracę w pomieszczeniach czystych. Charakteryzuje je jednolitość oraz specjalna technologia podtrzymania podciśnienia wewnątrz robota Kawasaki Robotics uniemożliwiająca wydostanie się z niego jakiegokolwiek zabrudzenia. Ponadto, bateria enkodera, która została usytuowana poza ramieniem robota, pozwala na szybką jej wymianę bez konieczności rozkręcania całego urządzenia.

Kontroler, jaki został tu zastosowany, to Kawasaki Robotics F60. Łączy on w sobie wysoką wydajność, niezawodność, prostotę obsługi; ma lekką (ważącą 8.3kg), kompaktową obudowę.

Roboty Kawasaki Robotics dostępne są z kontrolerem


Kontroler Kawasaki Robotics F60

Kontroler Kawasaki Robotics F60 dostarczany jest w dwóch wariantach IP20 i IP54, które charakteryzują się kompaktową obudową i niską wagą. Obsługuje roboty Kawasaki Robotics serii RS, RA, BA, MC, MS.

Oprogramowanie


K-Roset

K-Roset to symulator zrobotyzowanych stanowisk pracy z robotami Kawasaki Robotics. W prosty i przejrzysty sposób pozwala na stworzenie symulacji, wykorzystując roboty z oferty Kawasaki Robotics.


KIDE

Program umożliwiający zaawansowaną pracę z robotami Kawasaki Robotics. Pozwala na realizację komunikacji terminalowej, kompleksowe tworzenie oraz modyfikowanie aplikacji. Posiada wbudowany edytor tekstowy, dzięki któremu można w wygodny sposób tworzyć programy.


CS-Configurator

CS-Configurator to program umożliwiający konfigurację funkcji bezpieczeństwa dostępnych w module Cubic-s dla robotów Kawasaki Robotics. Moduł ten odpowiada za monitorowanie ruchu robota – a w sytuacji, w której zostanie zarejestrowany ruch niedozwolony, robot zostaje zatrzymany awaryjnie.

Kawasaki Robotics seria MS - roboty do przemysłu farmaceutycznego




zdjęcie

Opis robota:

Roboty zaprojektowane do pracy w przemyśle farmaceutycznym oraz w zastosowaniach medycznych. Spełniają restrykcyjne normy czystości pozwalając na bezpieczną, szybką i niezawodną pracę w pomieszczeniach czystych.

Przestrzeń robocza

zdjęcie
Pobierz obrazek w wysokiej rozdzielczości
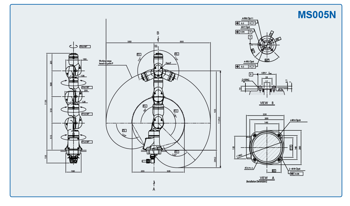
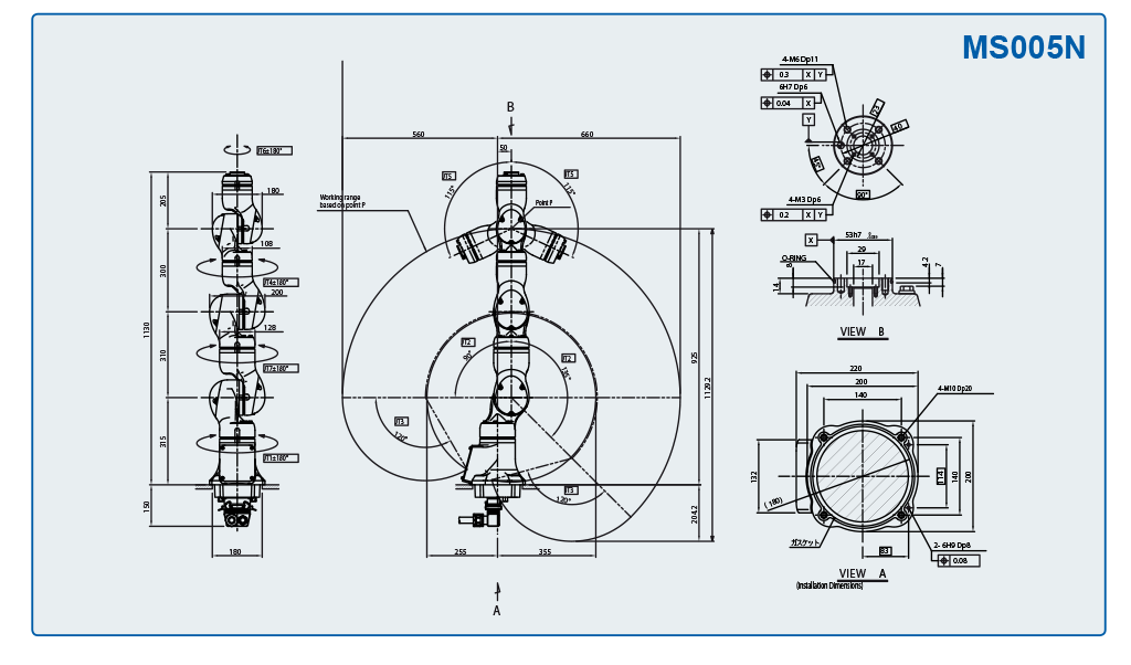
MS005N
Waga robota [kg]50
Maksymalny udźwig [kg]5
Maksymalny zasięg [mm]660
Ilość stopni swobody 7
Powtarzalność [mm]+/- 0.1
Zakres ruchu [°]
JT1+/- 180
JT2+135 ~ -90
JT3+/- 120
JT4+/- 180
JT5+/- 115
JT6+/- 180
JT7+/- 180
Prędkości [°/s]
JT1130
JT2130
JT3215
JT4300
JT5300
JT6480
JT7215
Montaż
podłogowyTAK
odwrotnyTAK
na ścianieNIE
na półceNIE
KontrolerF60
 

Kontakt Przejdź do kontaktu »

Zostaw wiadomość lub zadaj pytanie – odpowiemy niezwłocznie.

Wsparcie handlowe

12 424 00 60
sprzedaz@astor.com.pl

Wsparcie techniczne

12 424 00 88
support@astor.com.pl

Formularz kontaktowy

Napisz do nas - odpowiemy w ciągu 24h

*wymagane

Imię i nazwisko:*

Adres e-mail:*

Numer telefonu:*

Kontakt z oddziałem*






Komentarz:*

Twoje dane osobowe udostępnione w formularzu będą przetwarzane przed Grupę ASTOR zgodnie z zasadami.

Kontakt

Potrzebujesz pomocy? Skontaktuj się z nami. Odpowiemy na wszystkie Twoje pytania.

Wsparcie handlowe
12 424 00 60
sprzedaz@astor.com.pl

Wsparcie techniczne

Współpracujemy z:

O ASTOR

Firma ASTOR od 30 lat wspiera podnoszenie efektywności procesów w przemyśle, produkcji oraz infrastrukturze dostarczając komponenty automatyki przemysłowej, robotyki, systemy IT oraz wiedzę biznesową i techniczną. Kierunek wspierania rozwoju i transformacji naszych Klientów wyznacza Przemysł 4.0. W naszym portfolio znajdują się systemy sterowania Emerson Industrial Automation&Control (dawniej GE Intelligent Platforms, GE Fanuc), Horner APG oraz Astraada One, oprogramowanie przemysłowe AVEVA (dawniej Wonderware), roboty przemysłowe Kawasaki i Epson, produkty do bezprzewodowej transmisji danych SATEL Oy i Astraada, a także falowniki, panele HMI i urządzenia sieciowe Astraada. Oferujemy usługi doradcze w ramach ASTOR Consulting i szkolenia w ramach Akademii ASTOR.


Kontakt

12 428 63 00
PL EN