Roboty Kawasaki Robotics - dobierz robota « Wróć do listy produktów

  • ID w Profesal: 6913

Kawasaki Robotics seria Z / roboty o wyjątkowo dużych udźwigach

Roboty Kawasaki Robotics serii Z to jednostki o dużych udźwigach do zastosowań w paletyzacji, przenoszeniu oraz manipulowaniu zarówno obiektem, jak i narzędziem (np. zgrzewadło, serwochwytak, głowica szlifierska, frezarka). Udźwigi: 100 - 300kg, zasięgi: 1355 - 3530mm.

  • skrócony czas cyklu pracy poprzez zastosowanie napędów o dużej mocy oraz wydajnych przekładni w lekkim manipulatorze
  • duża przestrzeń robocza dzięki dużemu zasięgowi robota Kawasaki Robotics oraz małym martywm strefom
  • odporne mechanizmy pozwalające na pracę w zanieczyszczonym środowisku (ramię - IP65, nadgarstek - IP67)
  • możliwość rozbudowy: standardowa jednostka Kawasaki Robotics ZX165U może zostać przekształcona w ZX130U (podwyższona szybkość) lub ZX130L (większy zasięg), może zostać również przekształcona w jednostkę ZX200U (podwyższony udźwig).
  • kiść robotów zaprojektowana do przenoszenia dużych momentów pozwala na dużą dynamikę ruchów

Roboty Kawasaki Robotics serii Z to jednostki o dużych udźwigach, przeznaczone do zastosowań w paletyzacji, przenoszeniu oraz manipulowaniu zarówno obiektem, jak i narzędziem (np. zgrzewadło, serwochwytak, głowica szlifierska, frezarka). Udźwigi wynoszą od 100 do 300kg, natomiast zasięgi od 1355 do 3530mm.

Roboty Kawasaki Robotics poruszają się bardzo szybko i posiadają zaawansowane technologie sterowania ruchem, co prowadzi do znacznego skrócenia czasu cyklu i maksymalizowania wydajności produkcji. Szeroki zakres prac i większą elastyczność zapewnia im ramię z dużym zasięgiem oraz minimalna martwa strefa.

Roboty Kawasaki Robotics cechują się ponadto niezawodnością i niskim okresem konserwacji wynoszącym 10.000 godzin, co w konsekwencji oznacza niskie koszty operacyjne i maksymalną wydajność produkcji.

Roboty dostępne są z kontrolerem Kawasaki Robotics


Kontroler Kawasaki Robotics E0x

Kontroler E0X Kawasaki Robotics charakteryzują się niską wagą i posiada umiejętność ograniczania strat energii elektrycznej. Model E01, E02 i E04 dedykowane są dla serii robotów BA, BX, BT, CX, MX, RA, RS, ZX, natomiast E03 są obsługiwane przez roboty paletyzujące CP i RD.

Oprogramowanie


K-Roset

K-Roset to symulator zrobotyzowanych stanowisk pracy z robotami Kawasaki Robotics. W prosty i przejrzysty sposób pozwala na stworzenie symulacji, wykorzystując roboty z oferty Kawasaki Robotics.


KIDE

Program umożliwiający zaawansowaną pracę z robotami Kawasaki Robotics. Pozwala na realizację komunikacji terminalowej, kompleksowe tworzenie oraz modyfikowanie aplikacji. Posiada wbudowany edytor tekstowy, dzięki któremu można w wygodny sposób tworzyć programy.


CS-Configurator

CS-Configurator to program umożliwiający konfigurację funkcji bezpieczeństwa dostępnych w module Cubic-s dla robotów Kawasaki Robotics. Moduł ten odpowiada za monitorowanie ruchu robota Kawasaki Robotics – a w sytuacji, w której zostanie zarejestrowany ruch niedozwolony, robot zostaje zatrzymany awaryjnie.

Zastosowania


Obsługa maszyn

Obsługa maszyny to zadanie, które w dużej mierze decyduje o wydajności produkcji całego zakładu. Dlatego szczególnie ważna jest tu prędkość robotów przemysłowych Kawasaki Robotics. Ich precyzja i powtarzalność pozwala dodatkowo ograniczyć ilość braków i lepiej monitorować proces.

Czytaj więcej.

Zrobotyzowana paletyzacja i pakowanie

Pakowanie i paletyzacja (bądź depaletyzacja) to zadania mocno obciążające pracowników, które często stają się wąskim gardłem w zakładach produkcyjnych. Zastosowanie robotów przemysłowych Kawasaki Robotics pozwala uzyskać stałą wydajność linii pakującej/paletyzującej oraz jakość paletyzacji, a co za tym idzie - terminowość dostaw i bezpieczeństwo produktów w transporcie.

Czytaj więcej.

Zrobotyzowane spawanie

Spawanie zawsze było jednym z głównych zastosowań robotów przemysłowych. Zastosowanie robota Kawasaki Robotics pozwala zachować stałą jakość produkcji przy jednoczesnym ograniczeniu zużycia materiałów. Sprawia to, że inwestycje w zrobotyzowane spawanie zwracają się szybko.

Czytaj więcej.

Zrobotyzowane klejenie / dystrybucja

W tym zastosowaniu roboty przemysłowe Kawasaki Robotics współpracują z dodatkowym wyposażeniem do przechowywania, przepompowywania oraz aplikowania substancji nakładanej. Systemy zbiorników, pomp i regulatorów stanowią integralną część stanowiska, którego głównym elementem jest robot. To robot Kawasaki Robotics za pomocą pistoletu (aplikatora) nanosi daną substancję na obiekt, który dodatkowo może się poruszać.

Czytaj więcej.

Kawasaki Robotics ZX - duże zasięgi


Roboty Kawasaki Robotics serii ZX to 6-osiowe roboty przemysłowe o dużych udźwigach. Świetnie sprawdzają się w zadaniach wymagających manipulacji ciężkimi przedmiotami.



zdjęcie

Opis robota:

Roboty o udźwigu od 130 do 300 kg występują w kilku odmianach zasięgowych, pozwalając precyzyjnie dobrać robota do potrzeb użytkonika. Dzięki zastosowaniu specjalnej konstrukcji kinematycznej są bardzo szybkie i dokładne.

Przestrzeń robocza

zdjęcie
Pobierz obrazek w wysokiej rozdzielczości
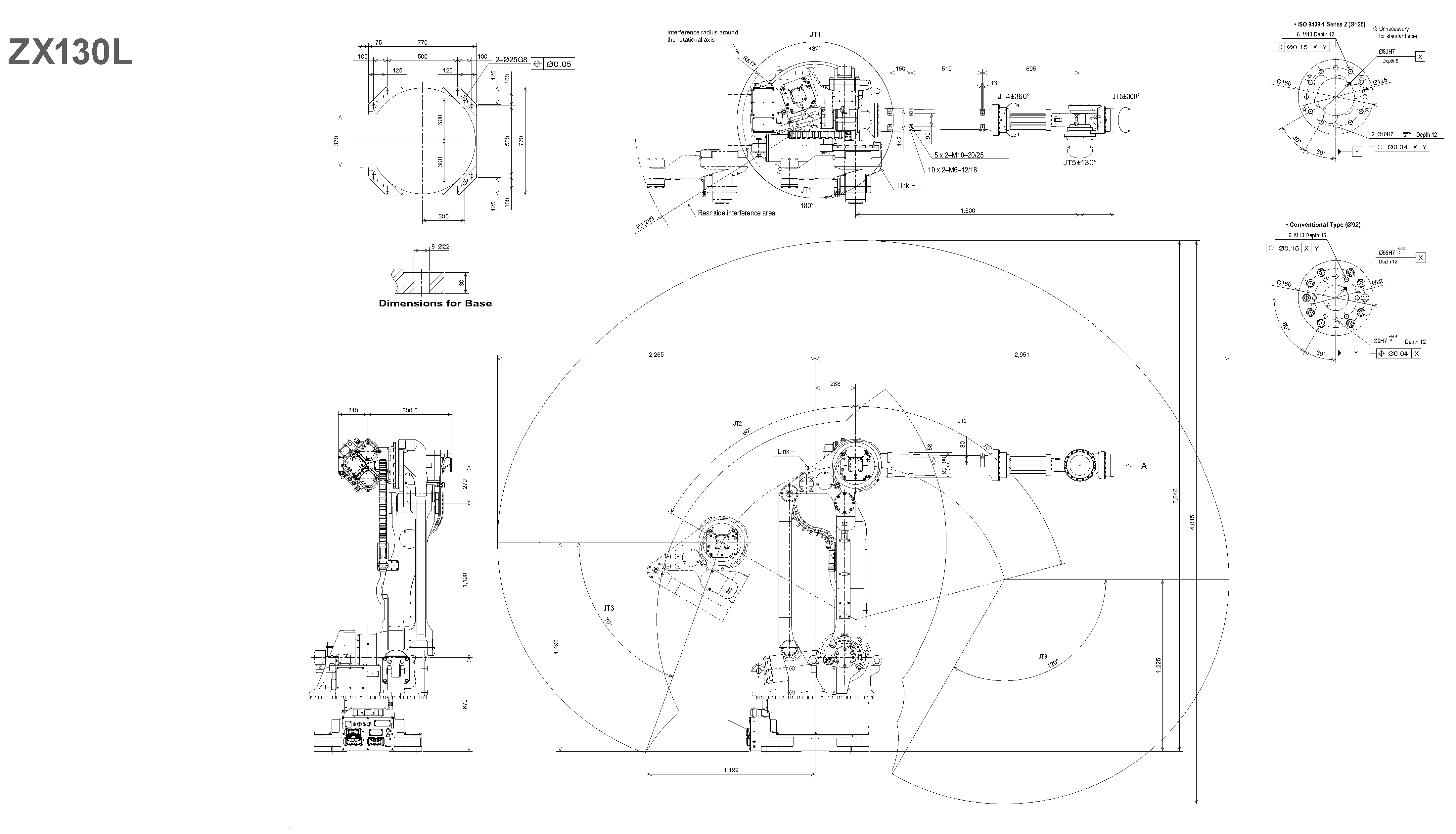
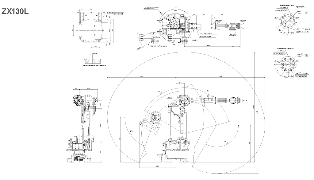
ZX130L
Waga robota [kg]1400
Maksymalny udźwig [kg]130
Maksymalny zasięg [mm]2951
Ilość stopni swobody 6
Powtarzalność [mm] +/-0.3
Zakres ruchu [°]
JT1 +/- 180
JT2 +75~-60
JT3 +250~-120
JT4 +/- 360
JT5 +/- 130
JT6 +/- 360
Prędkości [°/s]
JT1110
JT2110
JT3110
JT4140
JT5135
JT6230
Montaż
podłogowyTAK
odwrotnyNIE
na ścianieNIE
na półceNIE
KontrolerE02
 



zdjęcie

Opis robota:

Roboty o udźwigu od 130 do 300 kg występują w kilku odmianach zasięgowych, pozwalając precyzyjnie dobrać robota do potrzeb użytkonika. Dzięki zastosowaniu specjalnej konstrukcji kinematycznej są bardzo szybkie i dokładne.

Przestrzeń robocza

zdjęcie
Pobierz obrazek w wysokiej rozdzielczości
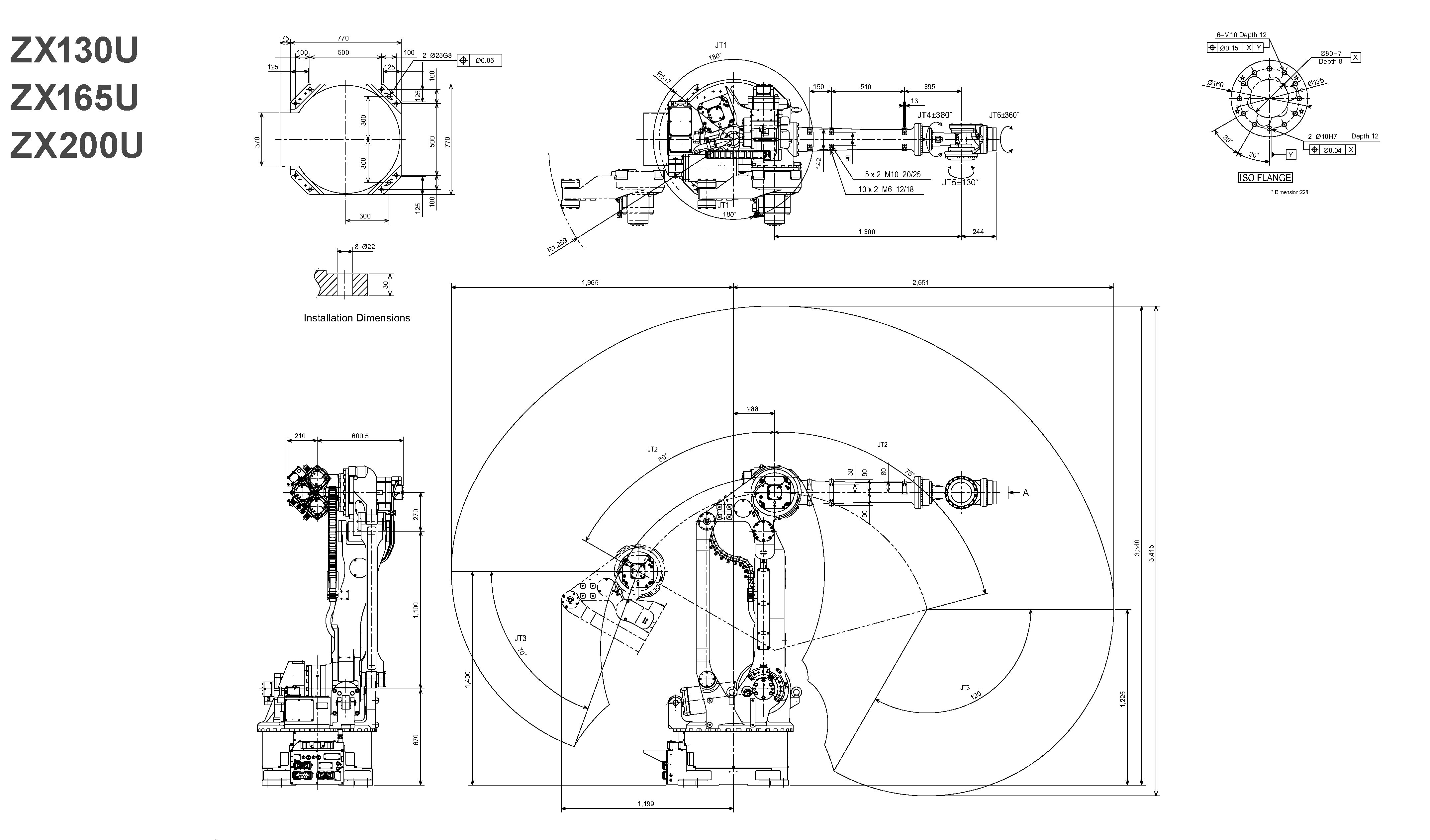
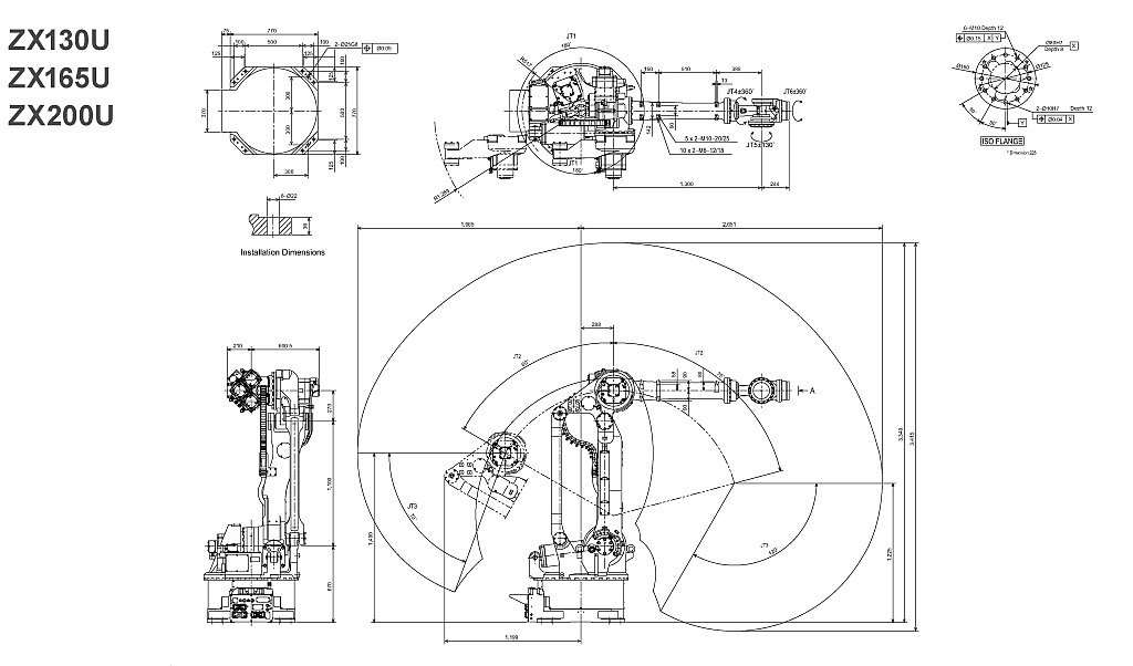
ZX130U
Waga robota [kg]1350
Maksymalny udźwig [kg]130
Maksymalny zasięg [mm]2651
Ilość stopni swobody 6
Powtarzalność [mm] +/-0.3
Zakres ruchu [°]
JT1 +/- 180
JT2 +75~-60
JT3 +250~-120
JT4 +/- 360
JT5 +/- 130
JT6 +/- 360
Prędkości [°/s]
JT1110
JT2110
JT3110
JT4140
JT5135
JT6230
Montaż
podłogowyTAK
odwrotnyNIE
na ścianieNIE
na półceTAK
KontrolerE02
 



zdjęcie

Opis robota:

Roboty o udźwigu od 130 do 300 kg występują w kilku odmianach zasięgowych, pozwalając precyzyjnie dobrać robota do potrzeb użytkonika. Dzięki zastosowaniu specjalnej konstrukcji kinematycznej są bardzo szybkie i dokładne.

Przestrzeń robocza

zdjęcie
Pobierz obrazek w wysokiej rozdzielczości
ZX165U
Waga robota [kg]1350
Maksymalny udźwig [kg]165
Maksymalny zasięg [mm]2651
Ilość stopni swobody 6
Powtarzalność [mm] +/-0.3
Zakres ruchu [°]
JT1 +/- 180
JT2 +75~-60
JT3 +250~-120
JT4 +/- 360
JT5 +/- 130
JT6 +/- 360
Prędkości [°/s]
JT1110
JT2110
JT3115
JT4140
JT5155
JT6260
Montaż
podłogowyTAK
odwrotnyNIE
na ścianieNIE
na półceNIE
KontrolerE02
 



zdjęcie

Opis robota:

Robot o udźwigu od 130 do 300 kg występują w kilku odmianach zasięgowych, pozwalając precyzyjnie dobrać robota do potrzeb użytkonika. Dzięki zastosowaniu specjalnej konstrukcji kinematycznej są bardzo szybkie i dokładne.

Przestrzeń robocza

zdjęcie
Pobierz obrazek w wysokiej rozdzielczości
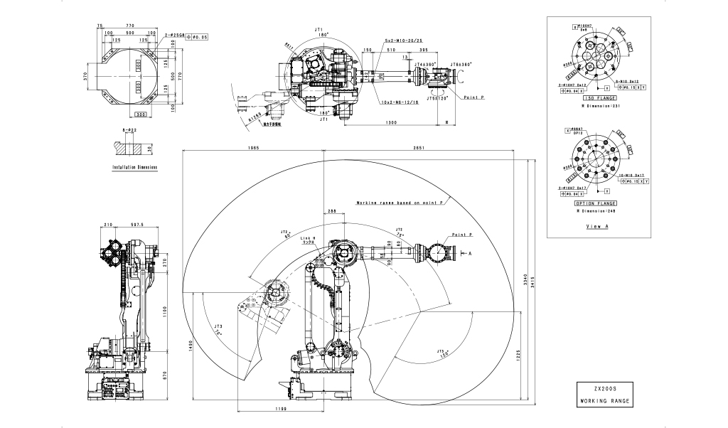
ZX200S
Waga robota [kg]1400
Maksymalny udźwig [kg]200
Maksymalny zasięg [mm]2651
Ilość stopni swobody 6
Powtarzalność [mm] +/-0.3
Zakres ruchu [°]
JT1 +/- 180
JT2 +75~-60
JT3 +250~-120
JT4 +/- 360
JT5+/-130
JT6+/-360
Prędkości [°/s]
JT1105
JT2110
JT3105
JT4120
JT5120
JT6200
Montaż
podłogowyTAK
odwrotnyNIE
na ścianieNIE
na półceNIE
KontrolerE02
 



zdjęcie

Opis robota:

Roboty o udźwigu od 130 do 300 kg występują w kilku odmianach zasięgowych, pozwalając precyzyjnie dobrać robota do potrzeb użytkonika. Dzięki zastosowaniu specjalnej konstrukcji kinematycznej są bardzo szybkie i dokładne.

Przestrzeń robocza

zdjęcie
Pobierz obrazek w wysokiej rozdzielczości
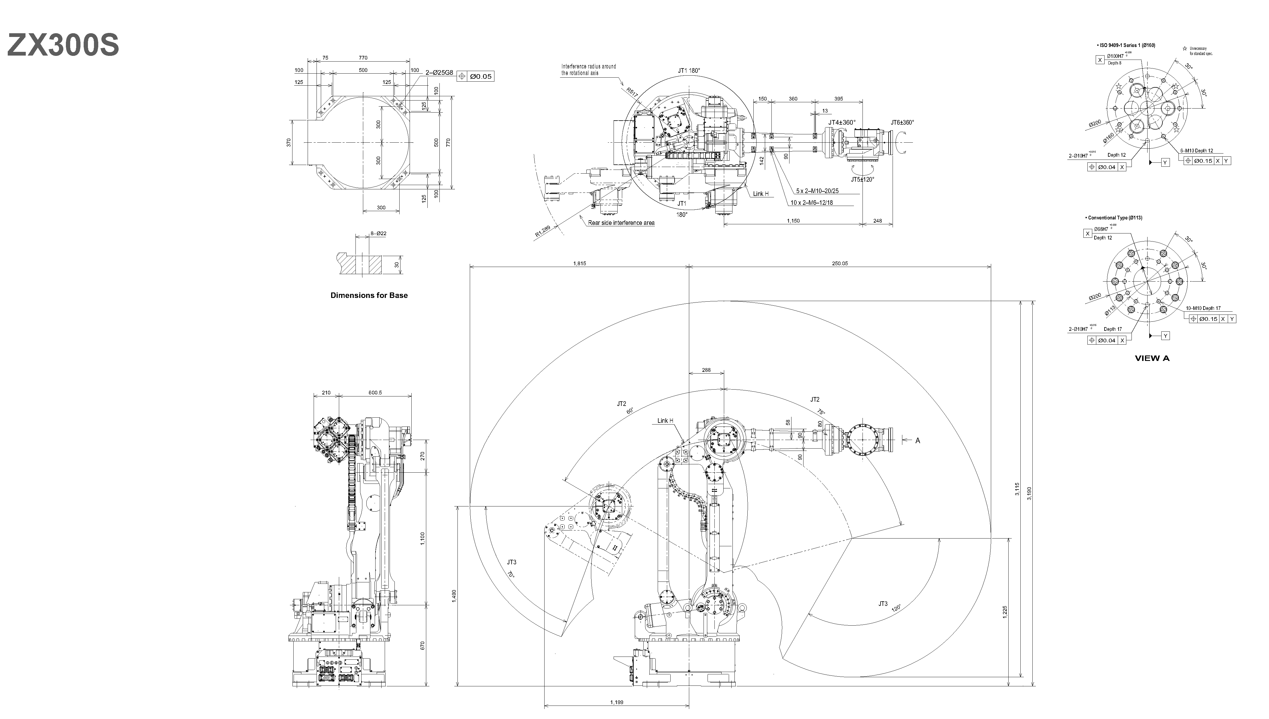
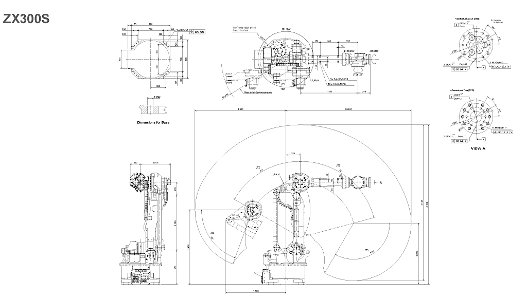
ZX300S
Waga robota [kg]1400
Maksymalny udźwig [kg]300
Maksymalny zasięg [mm]2501
Ilość stopni swobody 6
Powtarzalność [mm] +/-0.3
Zakres ruchu [°]
JT1 +/- 180
JT2 +75~-60
JT3 +250~-120
JT4 +/- 360
JT5 +/- 130
JT6 +/- 360
Prędkości [°/s]
JT1100
JT285
JT385
JT490
JT590
JT6150
Montaż
podłogowyTAK
odwrotnyNIE
na ścianieNIE
na półceNIE
KontrolerE02
 

Kontakt Przejdź do kontaktu »

Zostaw wiadomość lub zadaj pytanie – odpowiemy niezwłocznie.

Wsparcie handlowe

12 424 00 60
sprzedaz@astor.com.pl

Wsparcie techniczne

12 424 00 88
support@astor.com.pl

Formularz kontaktowy

Napisz do nas - odpowiemy w ciągu 24h

*wymagane

Imię i nazwisko:*

Adres e-mail:*

Numer telefonu:*

Kontakt z oddziałem*






Komentarz:*

Twoje dane osobowe udostępnione w formularzu będą przetwarzane przed Grupę ASTOR zgodnie z zasadami.

Kontakt

Potrzebujesz pomocy? Skontaktuj się z nami. Odpowiemy na wszystkie Twoje pytania.

Wsparcie handlowe
12 424 00 60
sprzedaz@astor.com.pl

Wsparcie techniczne

Współpracujemy z:

O ASTOR

Firma ASTOR od 30 lat wspiera podnoszenie efektywności procesów w przemyśle, produkcji oraz infrastrukturze dostarczając komponenty automatyki przemysłowej, robotyki, systemy IT oraz wiedzę biznesową i techniczną. Kierunek wspierania rozwoju i transformacji naszych Klientów wyznacza Przemysł 4.0. W naszym portfolio znajdują się systemy sterowania Emerson Industrial Automation&Control (dawniej GE Intelligent Platforms, GE Fanuc), Horner APG oraz Astraada One, oprogramowanie przemysłowe AVEVA (dawniej Wonderware), roboty przemysłowe Kawasaki i Epson, produkty do bezprzewodowej transmisji danych SATEL Oy i Astraada, a także falowniki, panele HMI i urządzenia sieciowe Astraada. Oferujemy usługi doradcze w ramach ASTOR Consulting i szkolenia w ramach Akademii ASTOR.


Kontakt

12 428 63 00
PL EN