Roboty Kawasaki Robotics - dobierz robota « Wróć do listy produktów

Kawasaki Robotics seria RA / roboty do spawania

Roboty Kawasaki Robotics serii RA przystosowane są do pracy w aplikacjach spawalniczych lub przy technologiach pochodnych (cięcie, fazowanie, wycinanie, wypalanie). Podczas zautomatyzowanego procesu operator może zmieniać warunki spawania w locie, a następnie przechowywać te zmiany we wbudowanej bazie danych.

  • okablowanie wewnętrzne przystosowane do aplikacji spawalniczych w standardzie (złącze antykolizyjne, czujniki)
  • kontroler Kawasaki Robotics przystosowany do realizacji aplikacji spawalniczych (sygnały analogowe, przystosowany do współpracy z dodatkowymi osiami)
  • środowisko pracy dedykowane do programowania aplikacji spawalniczych
  • możliwość sterowania parametrami spawania z poziomu kontrolera robota Kawasaki Robotics
  • szerokie możliwości komunikacyjne pozwalające na współpracę robota Kawasaki Robotics z dowolnym źródłem spawalniczym

Roboty Kawasaki Robotics serii RA to grupa robotów przystosowana do pracy w aplikacjach spawalniczych lub przy technologiach pochodnych (cięcie, fazowanie, wycinanie, wypalanie).

Smukła konstrukcja, niezawodność oraz prosta obsługa czynią go idealnym i skutecznym robotem spawalniczym. Dzięki zastosowaniu specjalnego oprogramowania, tworzenie programów do aplikacji spawania jest proste i intuicyjne.

Roboty Kawasaki Robotics te posiadają również specjalny programator ręczny (teach pendant), który zapewnia maksymalną ergonomię przy programowaniu zadań spawalniczych. Wyposażone są również w dodatkowe wejścia i wyjścia dedykowane do pracy ze spawarką, złączem antykolizyjnym, opcjami śledzenia złącza i kontroli położenia palnika.

Produkty powiązane


Kontroler Kawasaki Robotics F60

Kontroler Kawasaki Robotics F60 dostarczany jest w dwóch wariantach IP20 i IP54, które charakteryzują się kompaktową obudową i niską wagą. Obsługuje roboty Kawasaki Robotics serii RS, RA, BA, MC, MS.


Kontroler Kawasaki Robotics E0x

Kontroler E0x Kawasaki Robotics charakteryzują się niską wagą i posiada umiejętność ograniczania strat energii elektrycznej. Model E01, E02 i E04 dedykowane są dla serii robotów Kawasaki Robotics BA, BX, BT, CX, MX, RA, RS, ZX, natomiast E03 są obsługiwane przez roboty paletyzujące Kawasaki Robotics CP i RD.

Oprogramowanie


K-Roset

K-Roset to symulator zrobotyzowanych stanowisk pracy z robotami Kawasaki Robotics. W prosty i przejrzysty sposób pozwala na stworzenie symulacji, wykorzystując roboty z oferty Kawasaki Robotics.


KIDE

Program umożliwiający zaawansowaną pracę z robotami Kawasaki Robotics. Pozwala na realizację komunikacji terminalowej, kompleksowe tworzenie oraz modyfikowanie aplikacji. Posiada wbudowany edytor tekstowy, dzięki któremu można w wygodny sposób tworzyć programy.


CS-Configurator

CS-Configurator to program umożliwiający konfigurację funkcji bezpieczeństwa dostępnych w module Cubic-s dla robotów Kawasaki Robotics. Moduł ten odpowiada za monitorowanie ruchu robota Kawasaki Robotics – a w sytuacji, w której zostanie zarejestrowany ruch niedozwolony, robot zostaje zatrzymany awaryjnie.

Zastosowania


Zrobotyzowane spawanie

Spawanie zawsze było jednym z głównych zastosowań robotów przemysłowych. Zastosowanie robota Kawasaki Robotics pozwala zachować stałą jakość produkcji przy jednoczesnym ograniczeniu zużycia materiałów. Sprawia to, że inwestycje w zrobotyzowane spawanie zwracają się szybko.

Czytaj więcej.

Kawasaki Robotics Seria RA




zdjęcie

Opis robota:

Kawasaki RA005L to przedstawiciel serii robotów Kawasaki RA dedykowanej do spawania. Charakteryzuje się wysoką powtarzalnością i precyzją, zwiększoną dodatkowo dzięki systemowi sterowania bazującemu na 17-bitowych enkoderach. Energooszczędne i wydajne sterowanie zapewnia kontroler serii F.

Przestrzeń robocza

zdjęcie
RA005L
Waga robota [kg]37
Maksymalny udźwig [kg]5
Maksymalny zasięg [mm]903
Ilość stopni swobody 6
Powtarzalność [mm]+/- 0.03
Zakres ruchu [°]
JT1+/- 180
JT2+135~-80
JT3+118~-172
JT4+/- 360
JT5+/- 145
JT6+/- 360
Prędkości [°/s]
JT1300
JT2300
JT3300
JT4460
JT5460
JT6740
Montaż
podłogowyTAK
odwrotnyTAK
na ścianieOPCJA
na półceNIE
KontrolerF60
Stopień Ochrony IPIP65
 



zdjęcie

Opis robota:

Kawasaki RA006L to przedstawiciel serii robotów Kawasaki RA dedykowanej do spawania. Charakteryzuje się wysoką powtarzalnością i precyzją, zwiększaną dodatkowo dzięki systemowi sterowania bazującemu na 17-bitowych enkoderach. Energooszczędne i wydajne sterowanie zapewnia kontroler serii E.

Przestrzeń robocza

zdjęcie
Pobierz obrazek w wysokiej rozdzielczości
RA006L
Waga robota [kg]150
Maksymalny udźwig [kg]6
Maksymalny zasięg [mm]1650
Ilość stopni swobody 6
Powtarzalność [mm]+/- 0.03
Zakres ruchu [°]
JT1+/- 180
JT2+145 ~ -105
JT3+150 ~ -163
JT4+/- 270
JT5+/- 145
JT6+/- 360
Prędkości [°/s]
JT1250
JT2250
JT3215
JT4365
JT5380
JT6700
Montaż
podłogowyTAK
odwrotnyTAK
na ścianieOPCJA
na półceNIE
KontrolerE01
Stopień Ochrony IPIP65
 



zdjęcie

Opis robota:

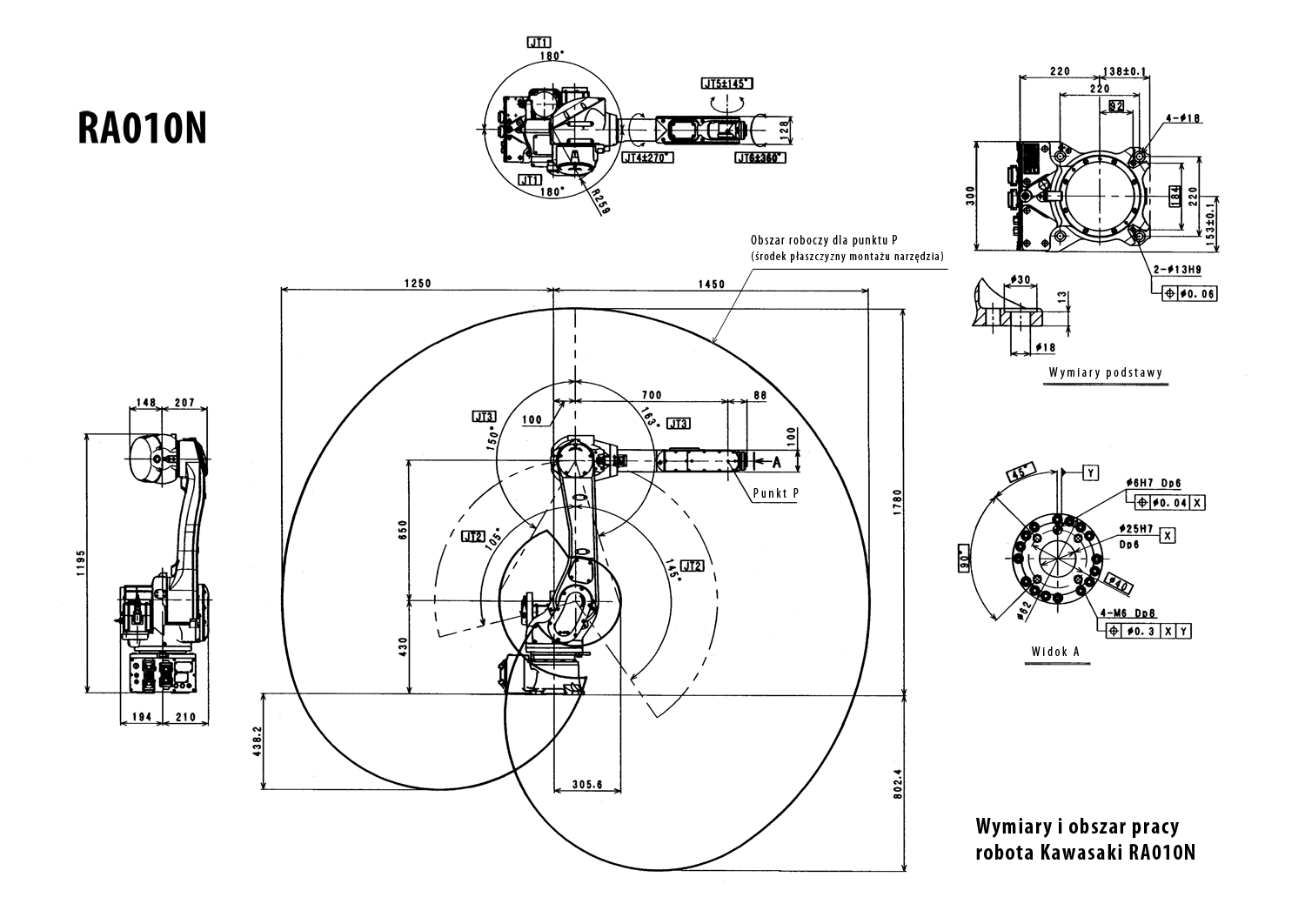
Kawasaki RA010N to przedstawiciel serii robotów Kawasaki RA dedykowanej do spawania o udźwigu 10 kg. Charakteryzuje się wysoką powtarzalnością i precyzją, zwiększoną dodatkowo dzięki systemowi sterowania bazującemu na 17-bitowych enkoderach. Energooszczędne i wydajne sterowanie zapewnia kontroler serii E.

Przestrzeń robocza

zdjęcie
Pobierz obrazek w wysokiej rozdzielczości
RA010N
Waga robota [kg]150
Maksymalny udźwig [kg]10
Maksymalny zasięg [mm]1450
Ilość stopni swobody 6
Powtarzalność [mm]+/- 0.03
Zakres ruchu [°]
JT1+/- 180
JT2+145 ~ -105
JT3+150 ~ -163
JT4+/- 270
JT5+/- 145
JT6+/- 360
Prędkości [°/s]
JT1250
JT2250
JT3215
JT4365
JT5380
JT6700
Montaż
podłogowyTAK
odwrotnyTAK
na ścianieOPCJA
na półceNIE
KontrolerE01
Stopień Ochrony IPIP65
 



zdjęcie

Opis robota:

Kawasaki RA010L (wersja o powiększonym zasięgu robota RA010N) to przedstawiciel serii robotów Kawasaki RA dedykowanej do spawania. Charakteryzuje się wysoką powtarzalnością i precyzją, zwiększoną dodatkowo dzięki systemowi sterowania bazującemu na 17-bitowych enkoderach. Energooszczędne i wydajne sterowanie zapewnia kontroler serii E.

Przestrzeń robocza

zdjęcie
Pobierz obrazek w wysokiej rozdzielczości
RA010L
Waga robota [kg]230
Maksymalny udźwig [kg]10
Maksymalny zasięg [mm]1925
Ilość stopni swobody 6
Powtarzalność [mm]+/- 0.05
Zakres ruchu [°]
JT1+/- 180
JT2+155 ~ -105
JT3+150 ~ -163
JT4+/- 270
JT5+/- 145
JT6+/- 360
Prędkości [°/s]
JT1190
JT2205
JT3210
JT4400
JT5360
JT6610
Montaż
podłogowyTAK
odwrotnyTAK
na ścianieOPCJA
na półceNIE
KontrolerE01
Stopień Ochrony IPIP65
 



zdjęcie

Opis robota:

Kawasaki RA020N to przedstawiciel serii robotów Kawasaki RA dedykowanej do spawania. Charakteryzuje się wysoką powtarzalnością i precyzją, zwiększoną dodatkowo dzięki systemowi sterowania bazującemu na 17-bitowych enkoderach. Energooszczędne i wydajne sterowanie zapewnia kontroler serii E.

Przestrzeń robocza

zdjęcie
Pobierz obrazek w wysokiej rozdzielczości
RA020N
Waga robota [kg]230
Maksymalny udźwig [kg]20
Maksymalny zasięg [mm]1725
Ilość stopni swobody 6
Powtarzalność [mm]+/- 0.04
Zakres ruchu [°]
JT1+/- 180
JT2+155~-105
JT3+150~-163
JT4+/- 270
JT5+/- 145
JT6+/- 360
Prędkości [°/s]
JT1190
JT2205
JT3210
JT4400
JT5360
JT6610
Montaż
podłogowyTAK
odwrotnyTAK
na ścianieOPCJA
na półceNIE
KontrolerE01
Stopień Ochrony IPIP65
 

Kontakt Przejdź do kontaktu »

Zostaw wiadomość lub zadaj pytanie – odpowiemy niezwłocznie.

Wsparcie handlowe

12 424 00 60
sprzedaz@astor.com.pl

Wsparcie techniczne

12 424 00 88
support@astor.com.pl

Formularz kontaktowy

Napisz do nas - odpowiemy w ciągu 24h

*wymagane

Imię i nazwisko:*

Adres e-mail:*

Numer telefonu:*

Kontakt z oddziałem*






Komentarz:*

Twoje dane osobowe udostępnione w formularzu będą przetwarzane przed Grupę ASTOR zgodnie z zasadami.

Kontakt

Potrzebujesz pomocy? Skontaktuj się z nami. Odpowiemy na wszystkie Twoje pytania.

Wsparcie handlowe
12 424 00 60
sprzedaz@astor.com.pl

Wsparcie techniczne

Współpracujemy z:

O ASTOR

Firma ASTOR od 30 lat wspiera podnoszenie efektywności procesów w przemyśle, produkcji oraz infrastrukturze dostarczając komponenty automatyki przemysłowej, robotyki, systemy IT oraz wiedzę biznesową i techniczną. Kierunek wspierania rozwoju i transformacji naszych Klientów wyznacza Przemysł 4.0. W naszym portfolio znajdują się systemy sterowania Emerson Industrial Automation&Control (dawniej GE Intelligent Platforms, GE Fanuc), Horner APG oraz Astraada One, oprogramowanie przemysłowe AVEVA (dawniej Wonderware), roboty przemysłowe Kawasaki i Epson, produkty do bezprzewodowej transmisji danych SATEL Oy i Astraada, a także falowniki, panele HMI i urządzenia sieciowe Astraada. Oferujemy usługi doradcze w ramach ASTOR Consulting i szkolenia w ramach Akademii ASTOR.


Kontakt

12 428 63 00
PL EN